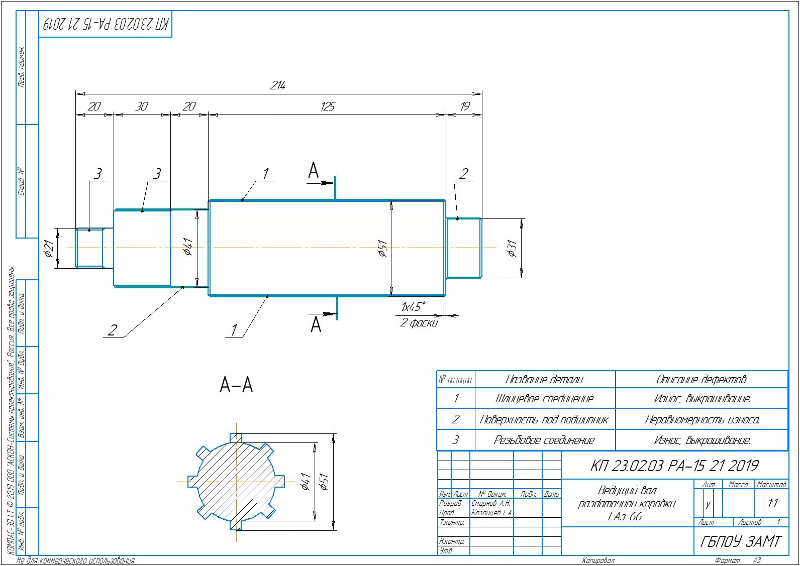
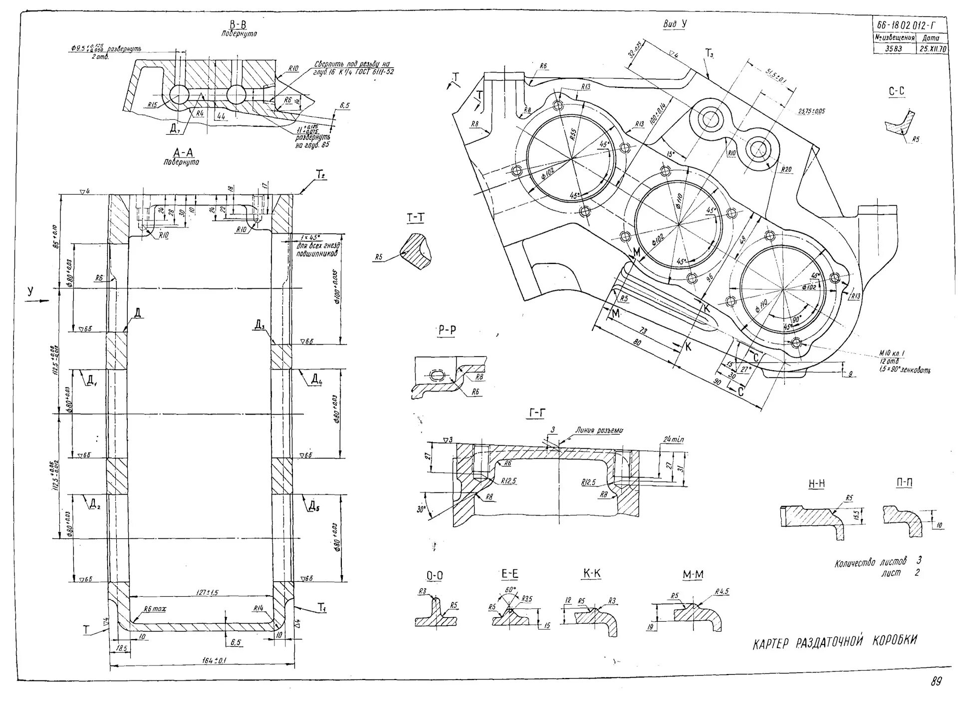
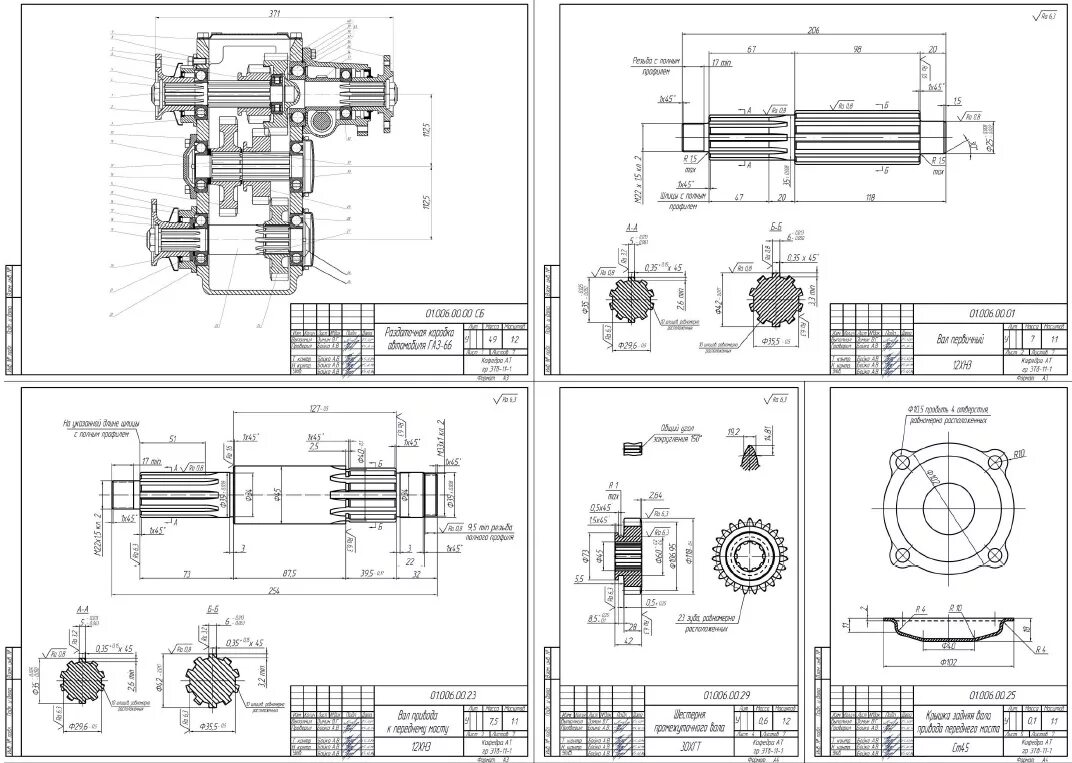
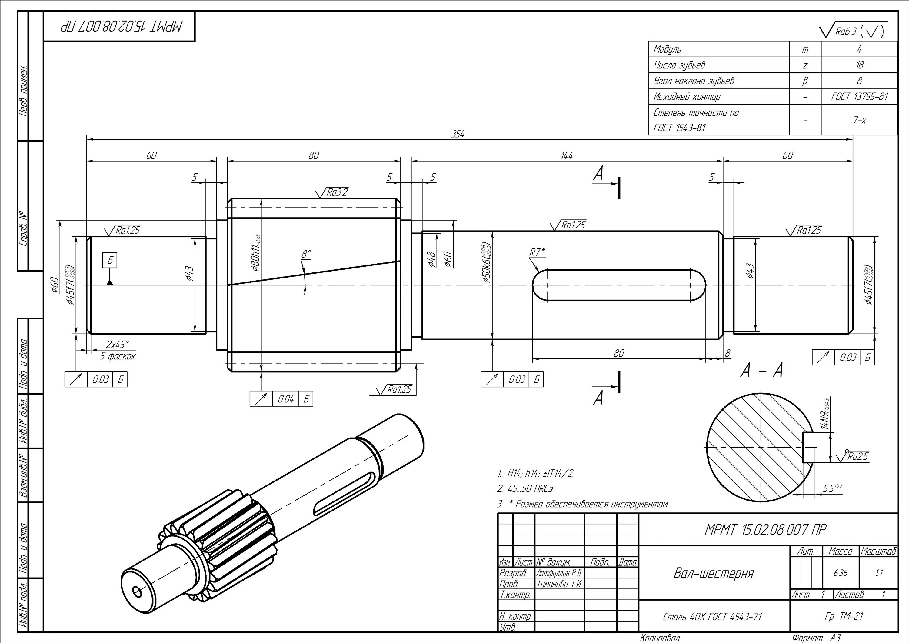
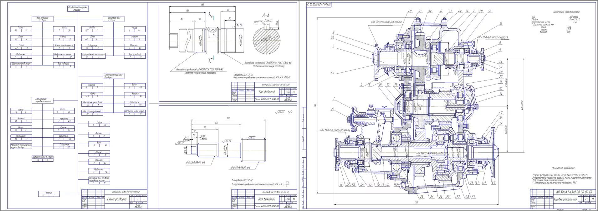
Чертежи рк