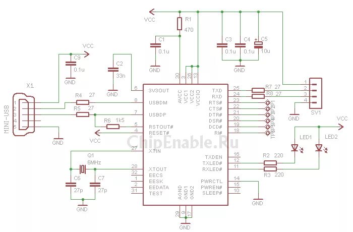
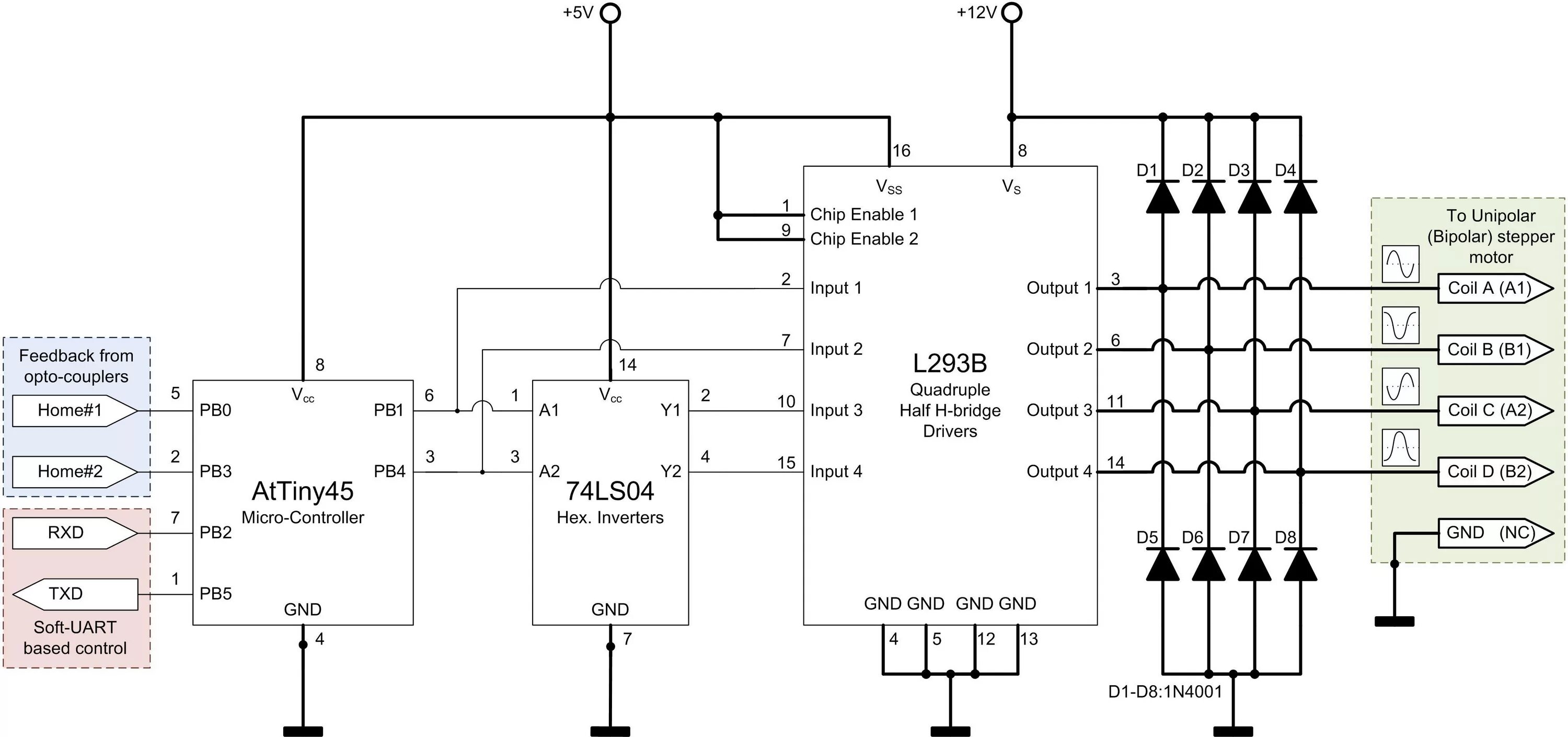
Chip enable