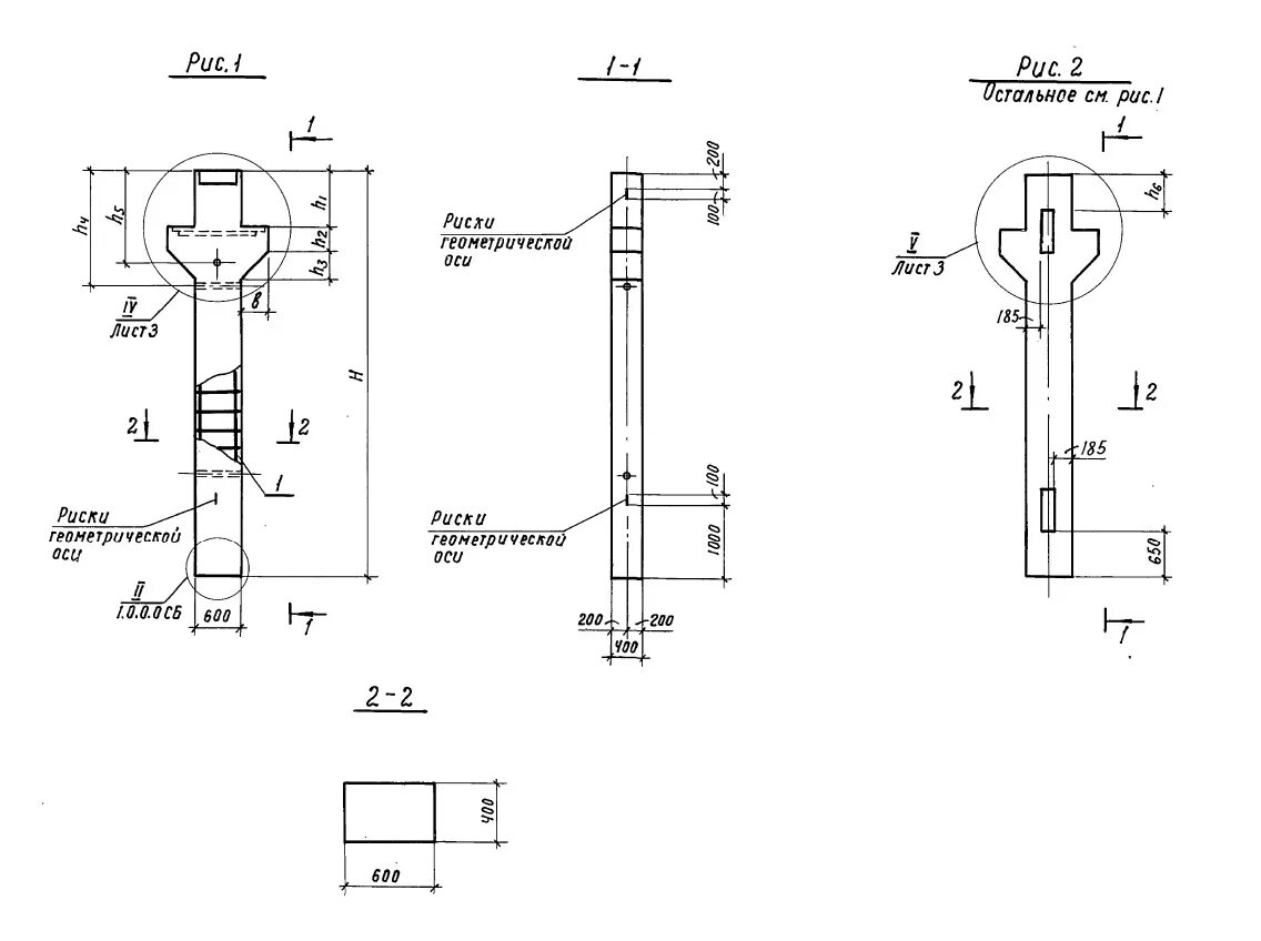
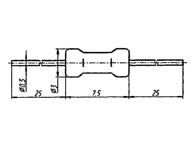
Что такое кд 2