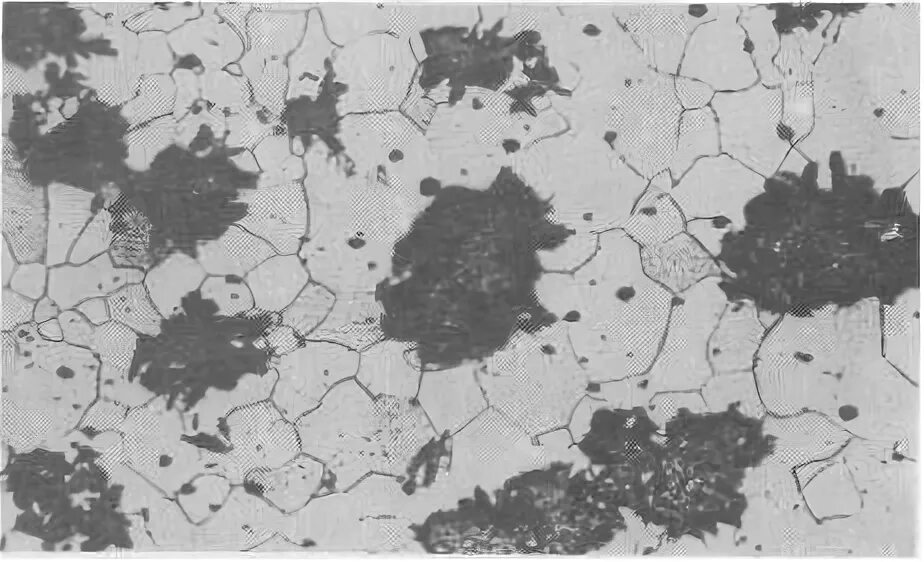
Чугун имеющий хлопьевидную форму графита