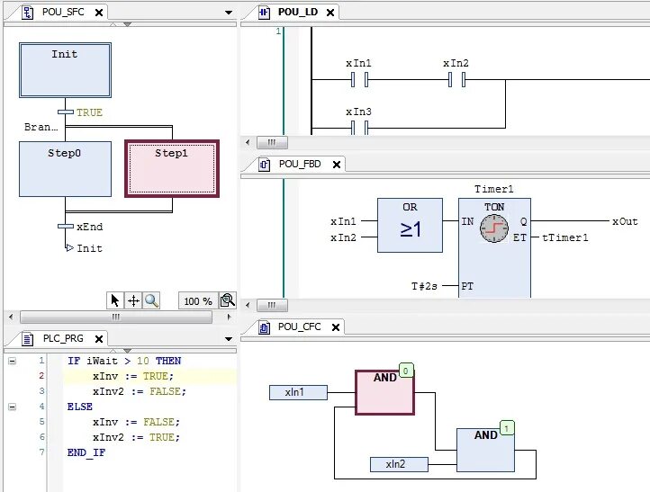
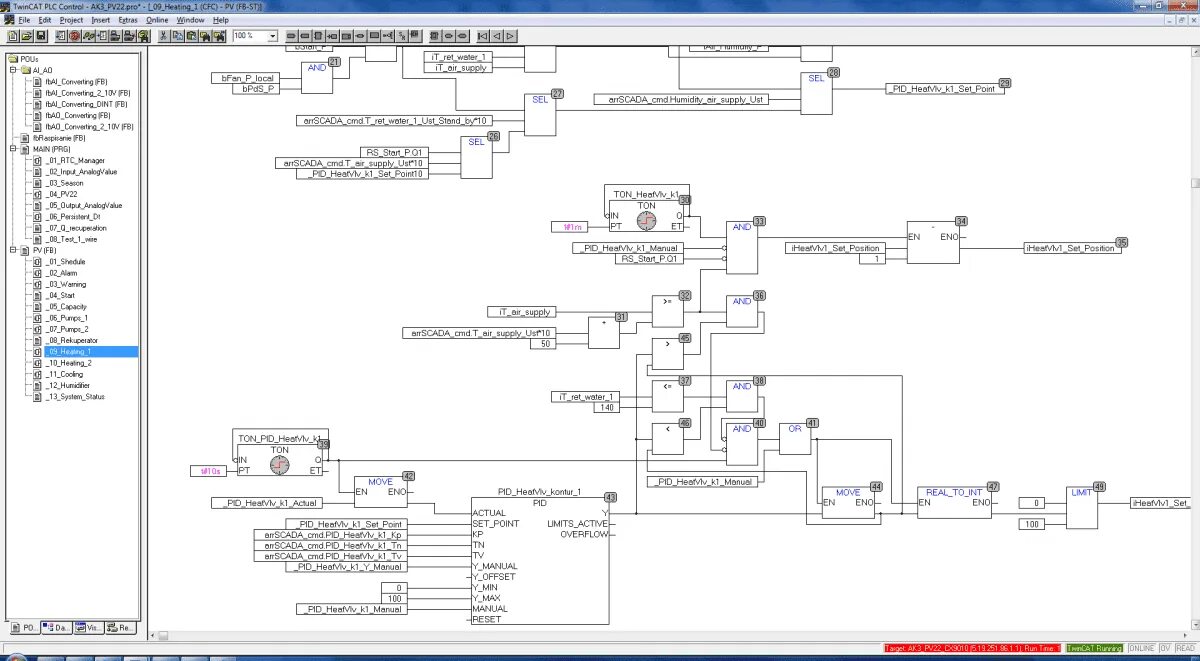
Codesys cfc