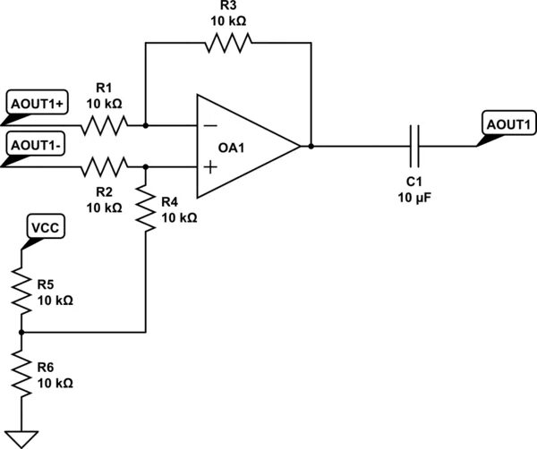
Convert to single