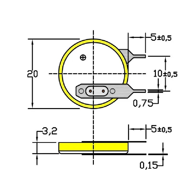
Cr размеры