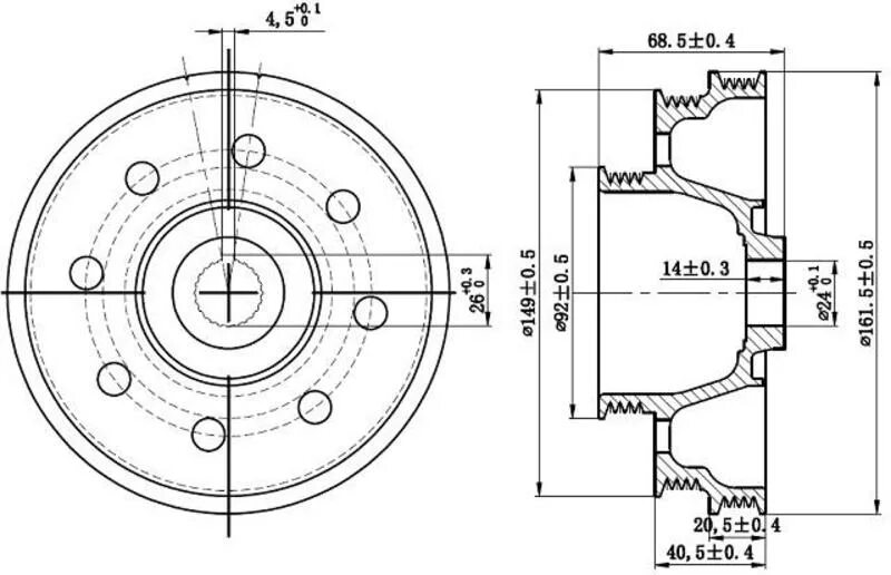
D 14.0