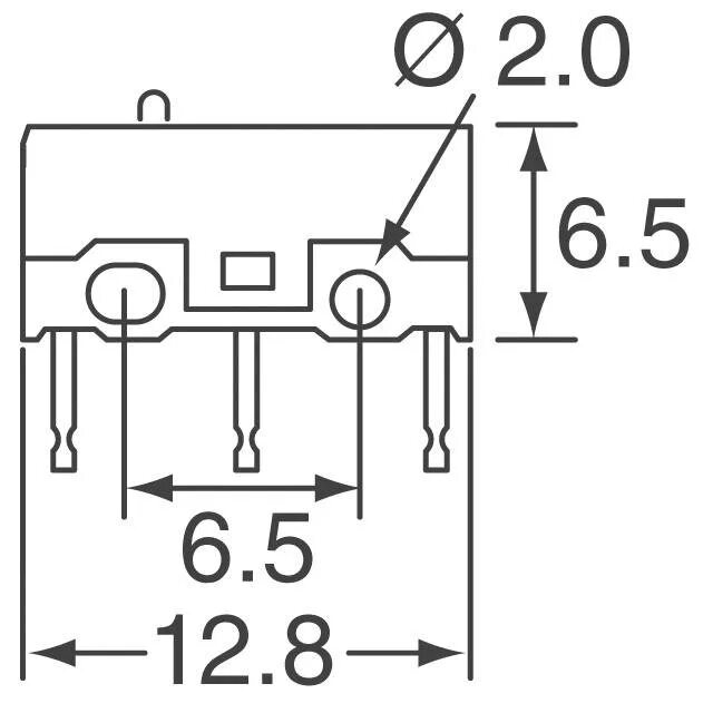
D2 f