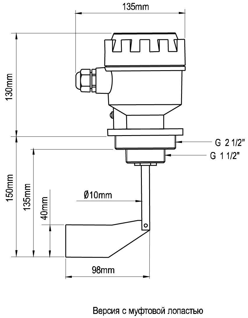
Датчик уровня сыпучих материалов