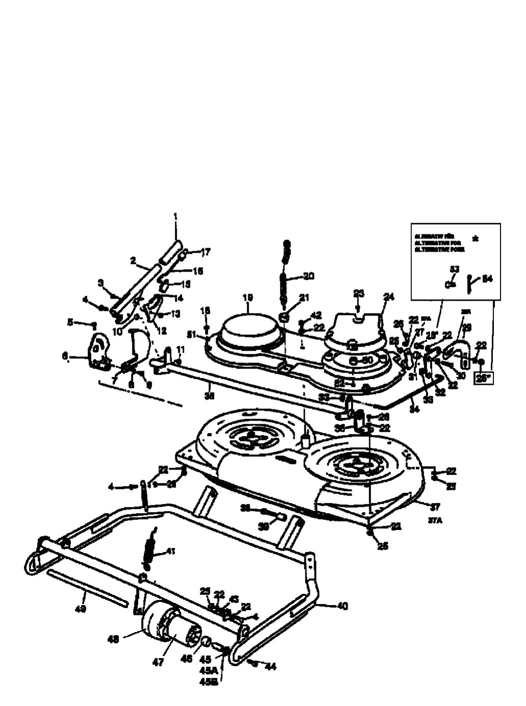
Дека трактор