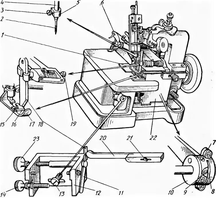
Детали оверлока