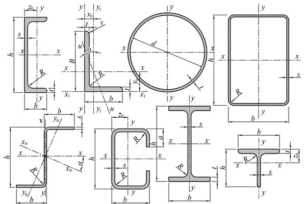
Диаметр металлопрокат