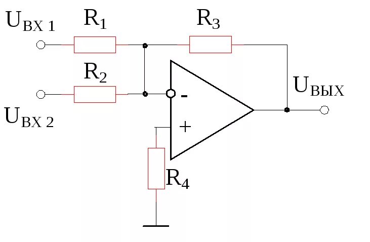
Дифференциатор