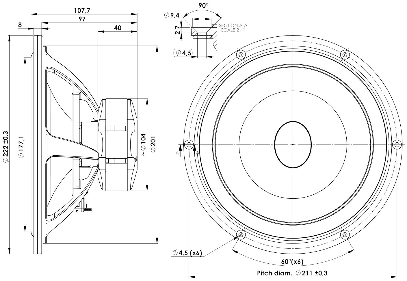
Динамический размер