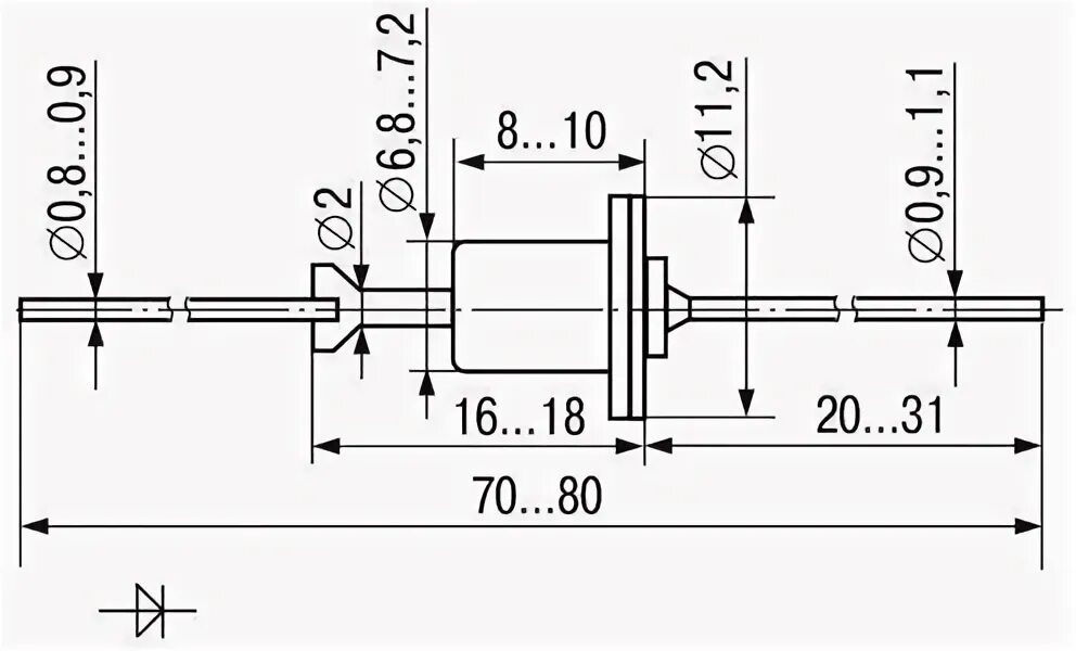
Диод д237а