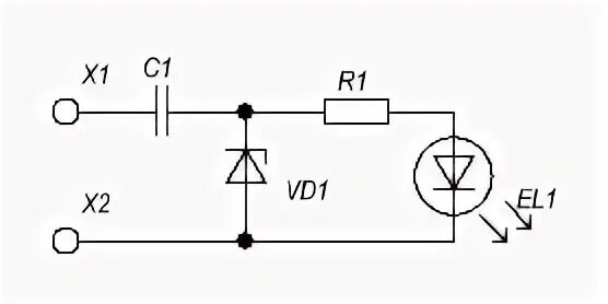
Диод параллельно конденсатору