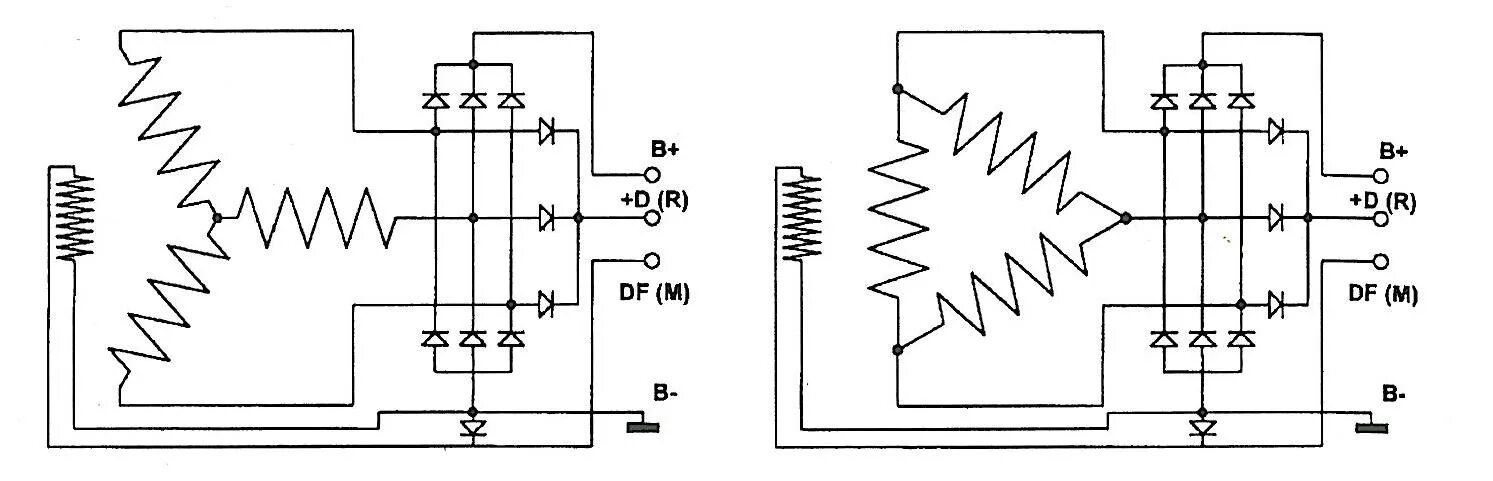
Диодный мост генератора функции