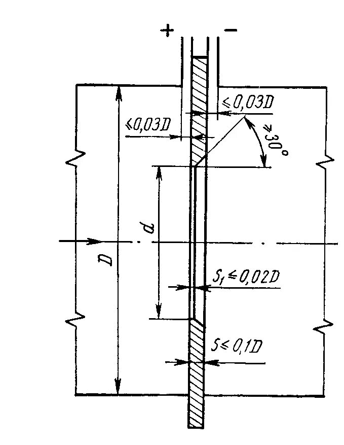
Диск диафрагмы