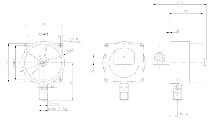
Дм2010ф исп 1 манометр