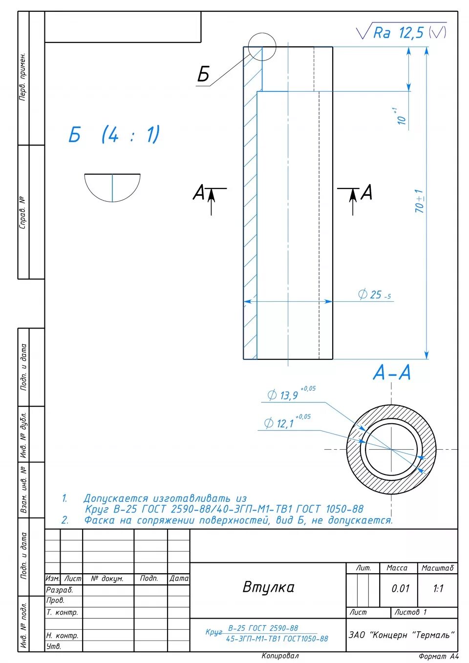
Допускается изготавливать