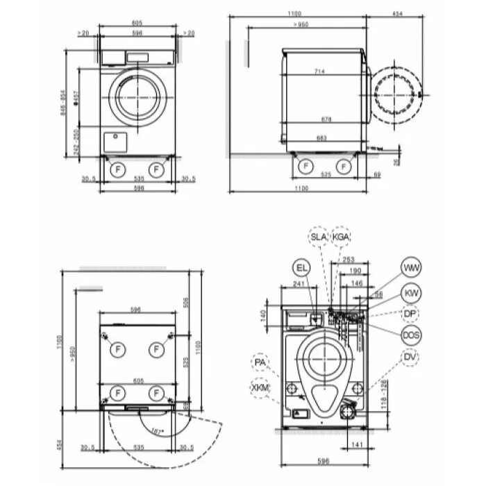
Dp 507