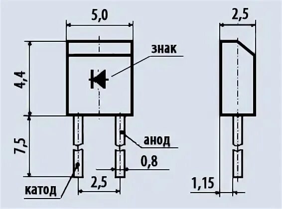
Драгметалл д237б