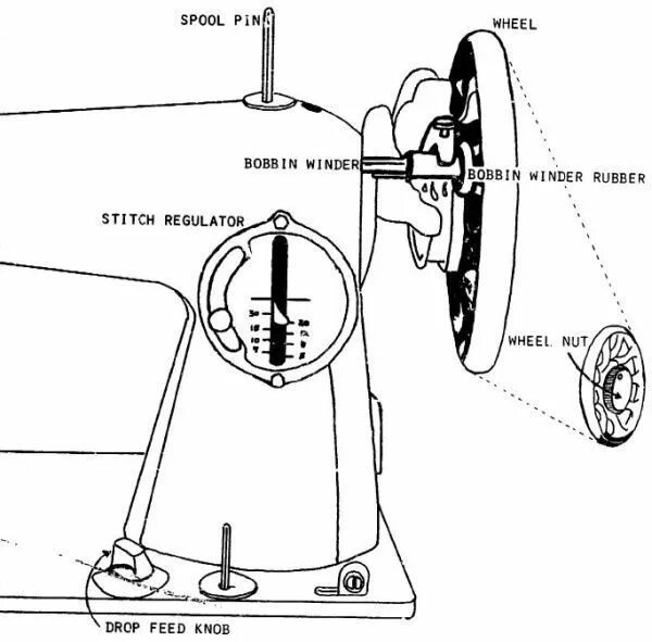
Drop feed