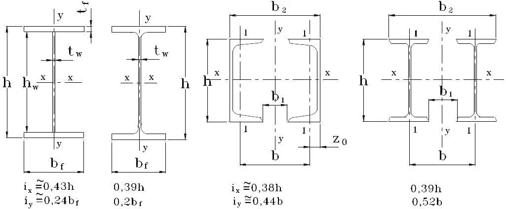
Два швеллера