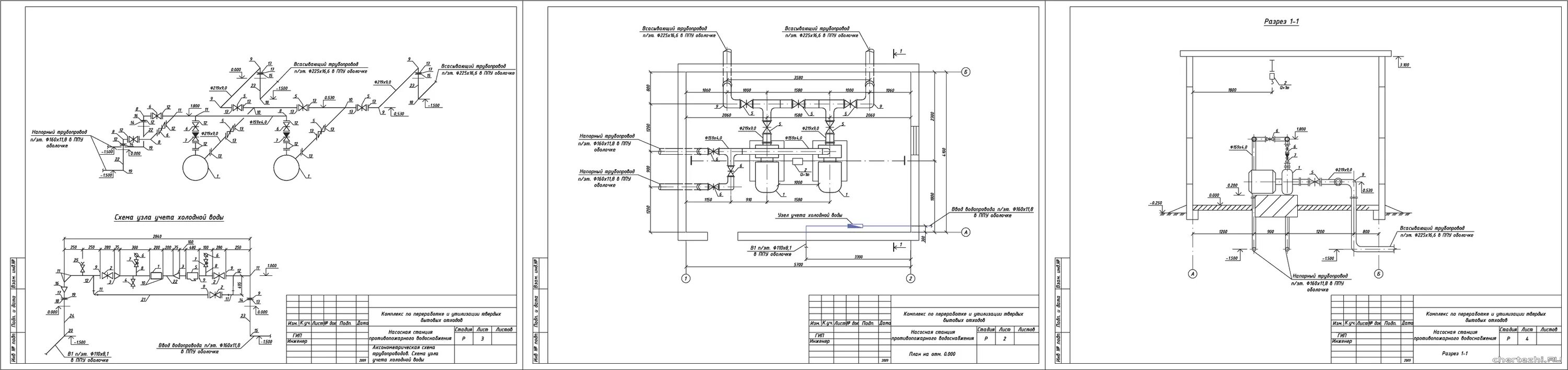
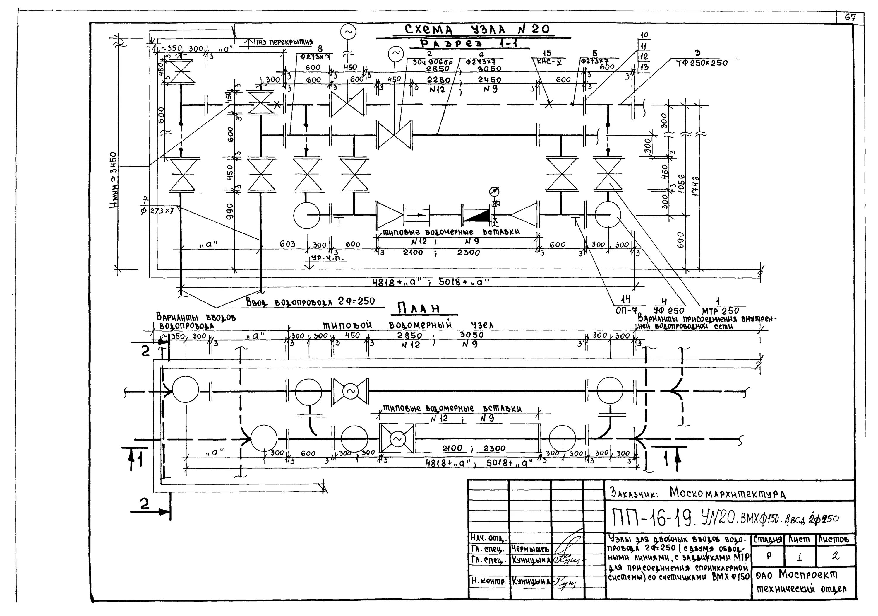
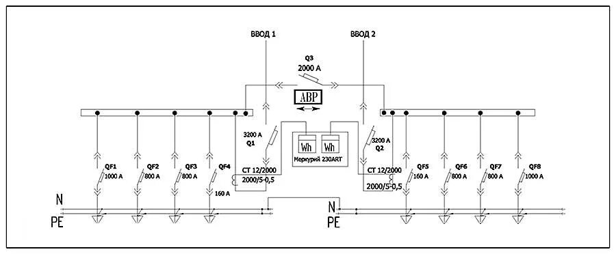
Два ввода в здание