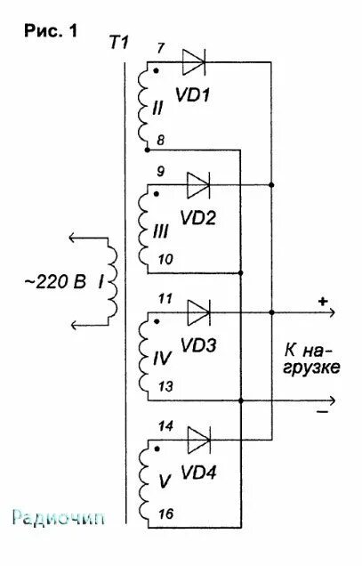
Две обмотки трансформатора