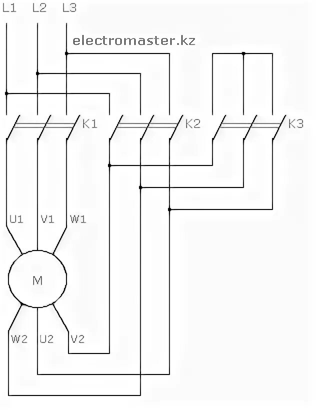
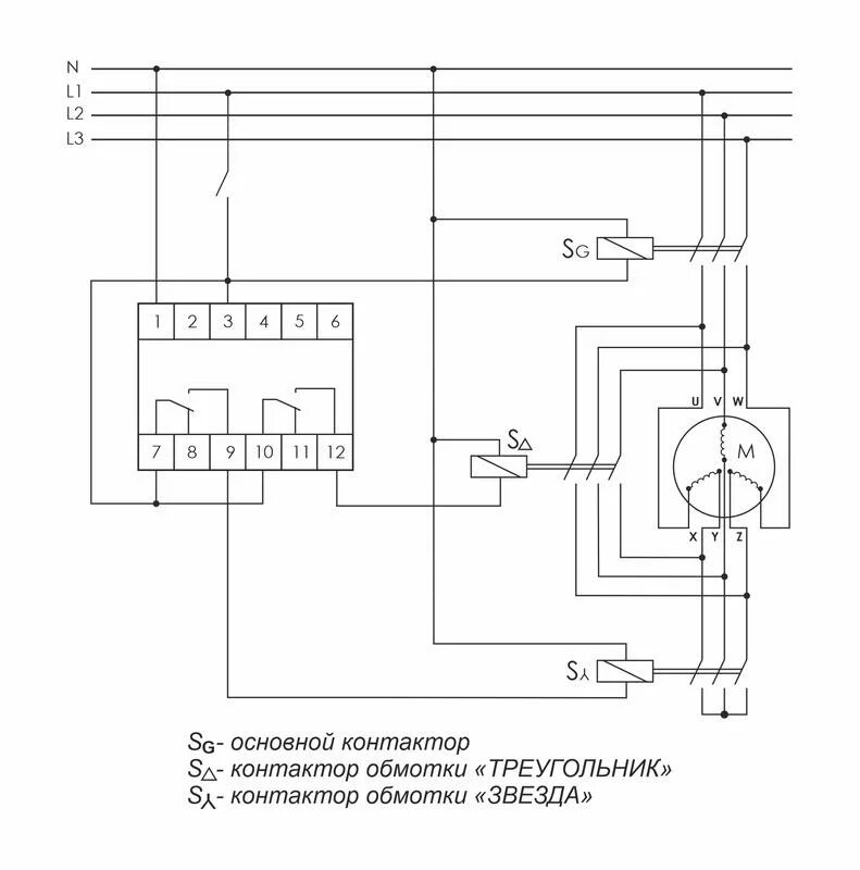
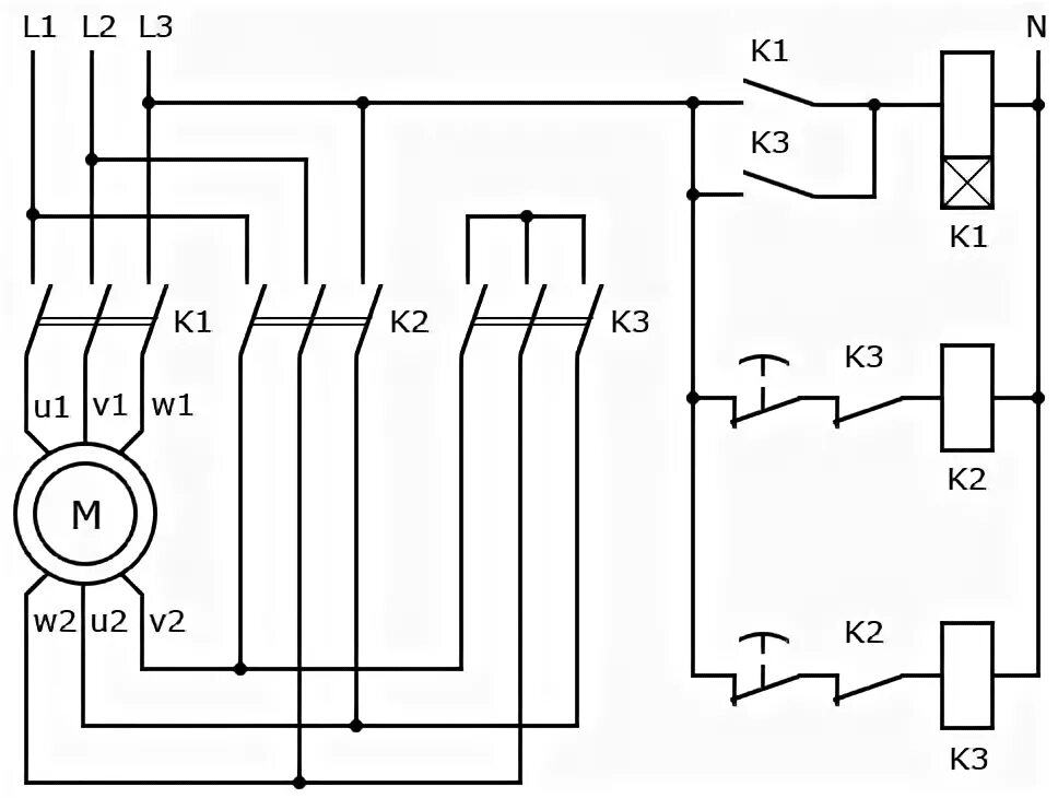
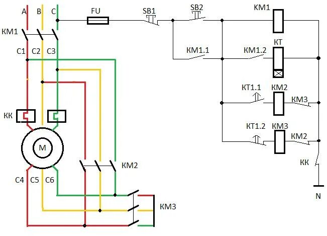
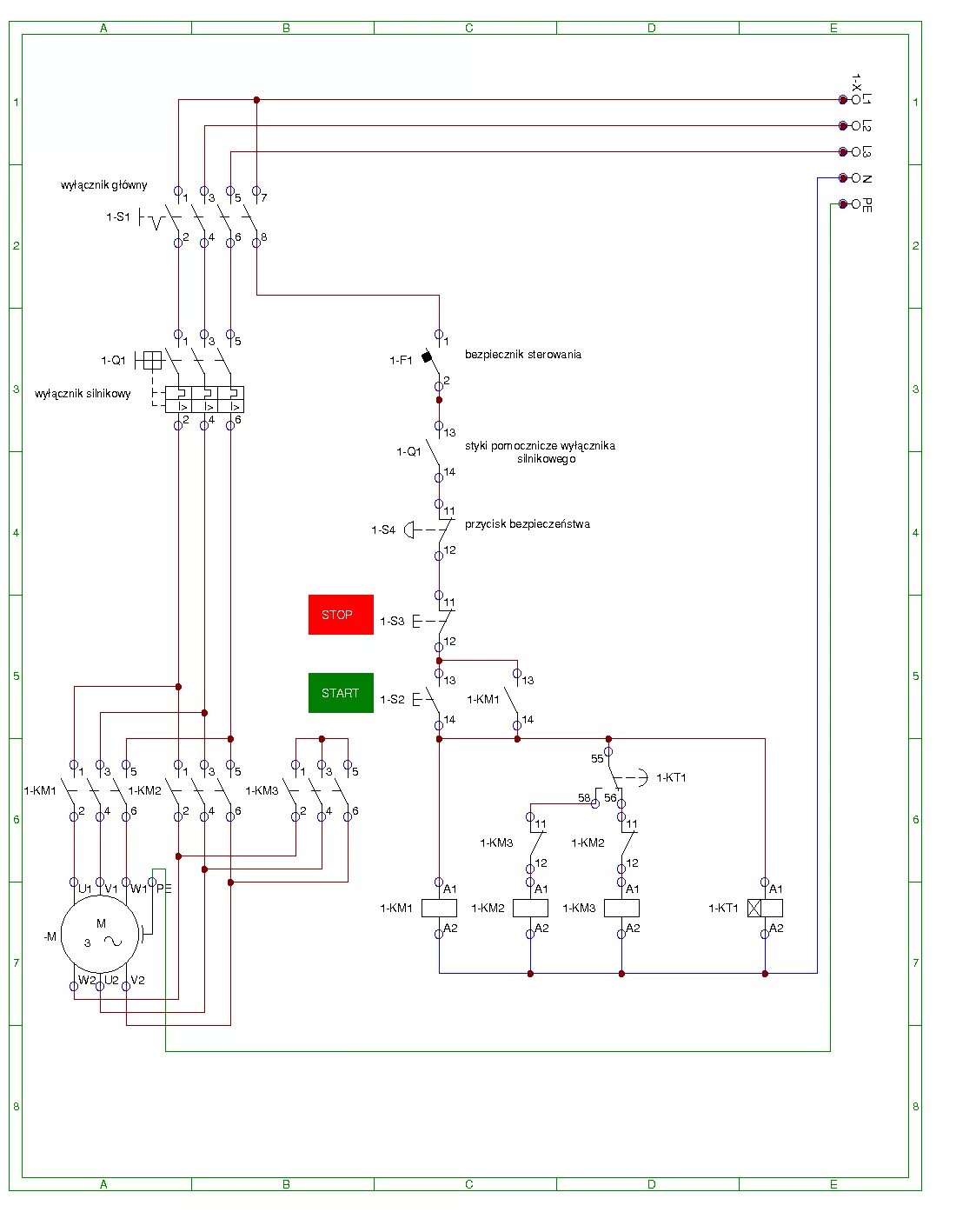
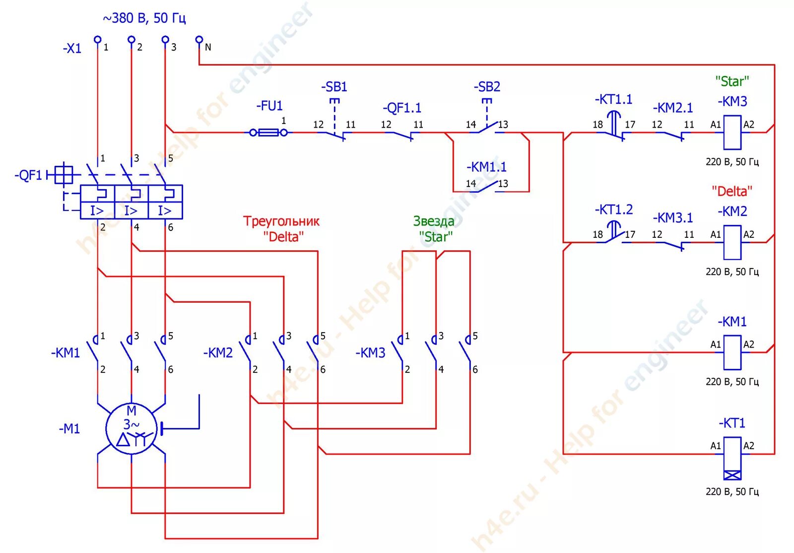
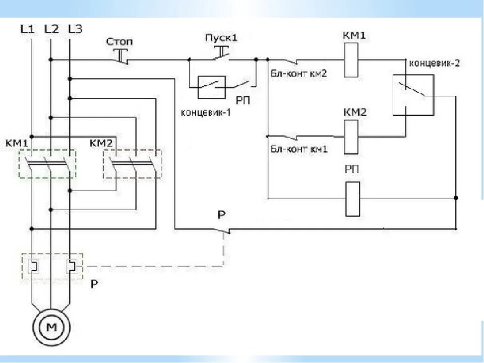
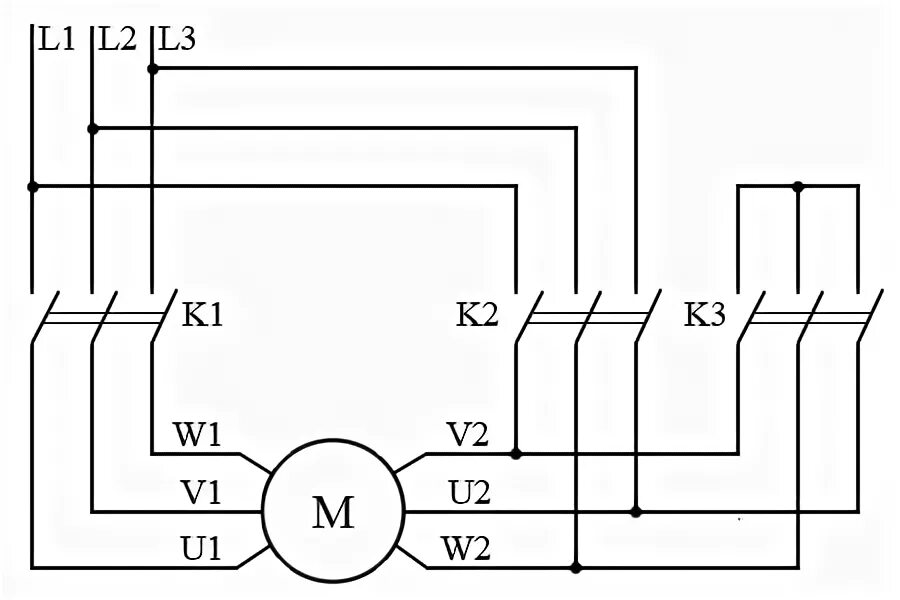
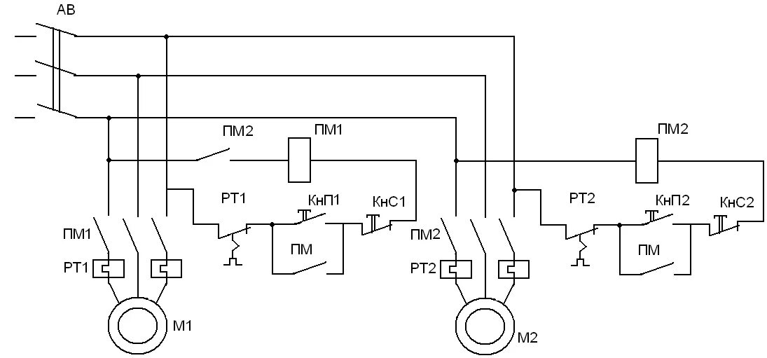
Двигатель через реле времени