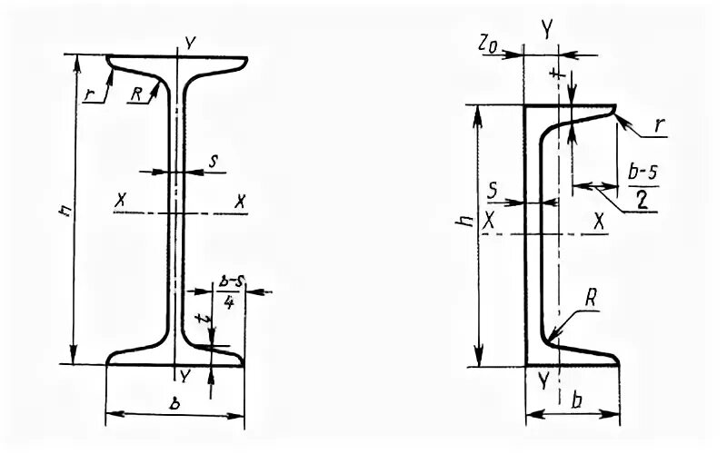
Двутавр 45м