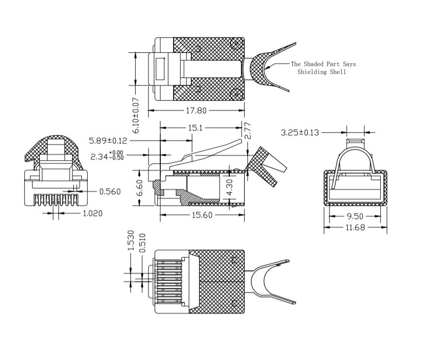
Экранированный rj45 cabeus