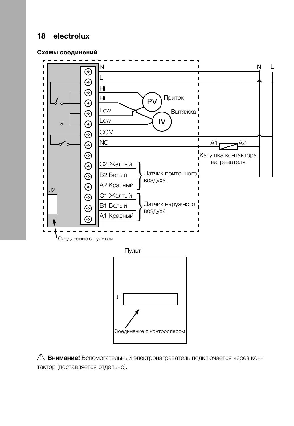
Electrolux как подключить wifi