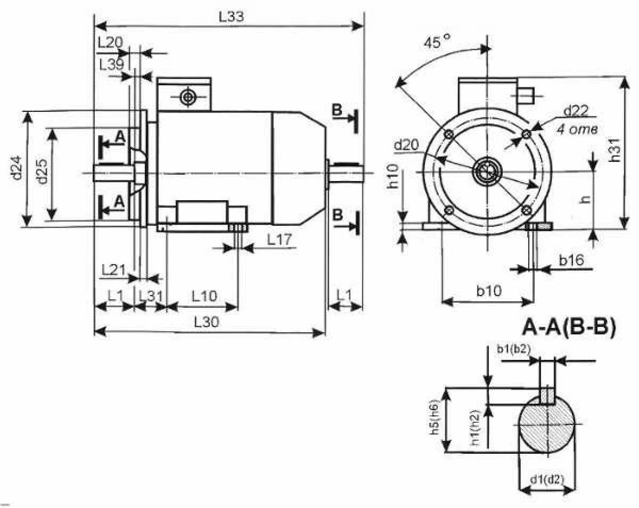
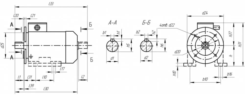
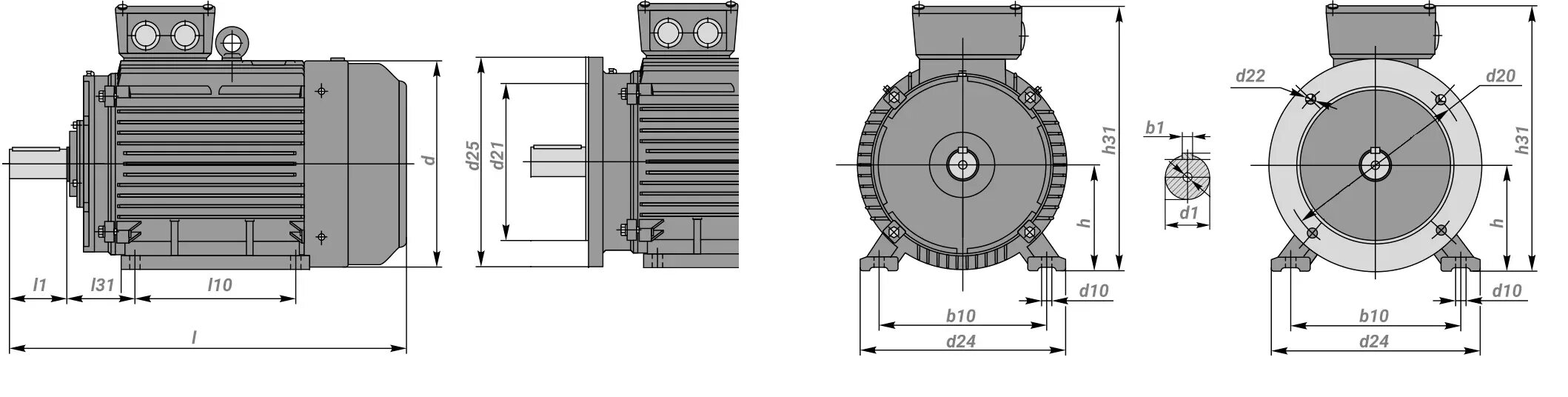
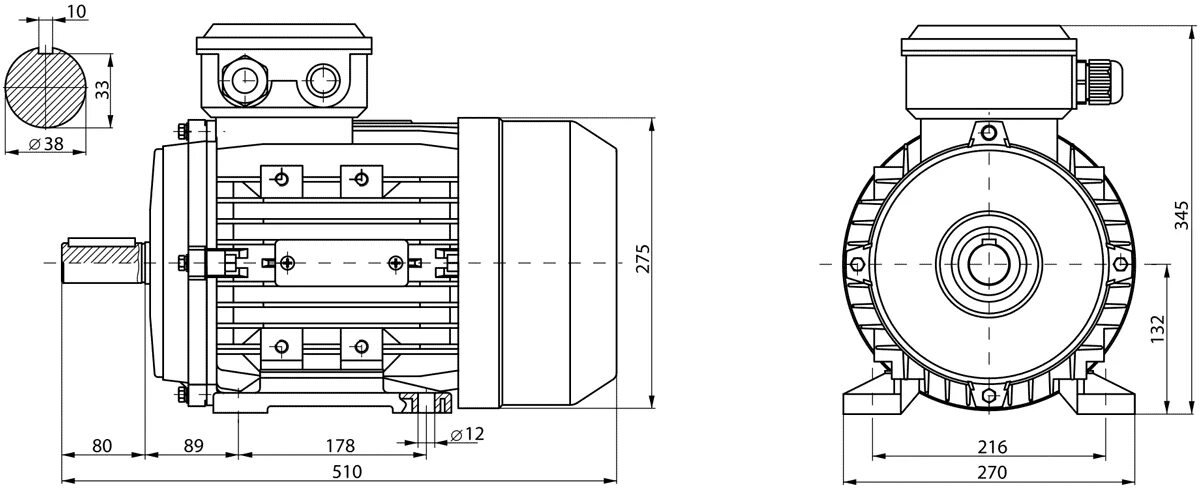
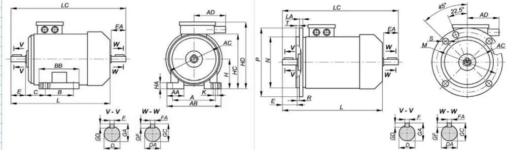
Электромотор размеры