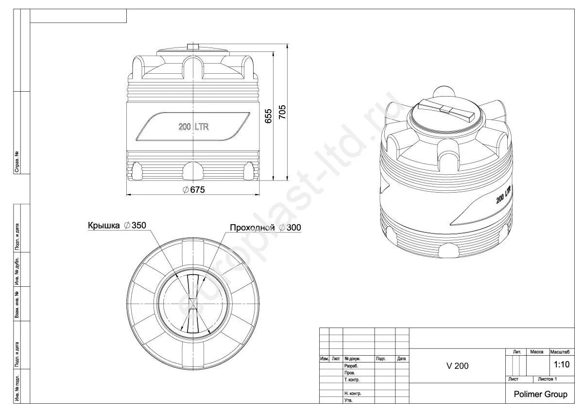
Емкость v 300