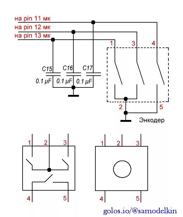
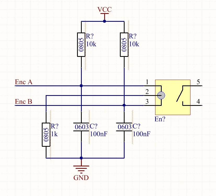
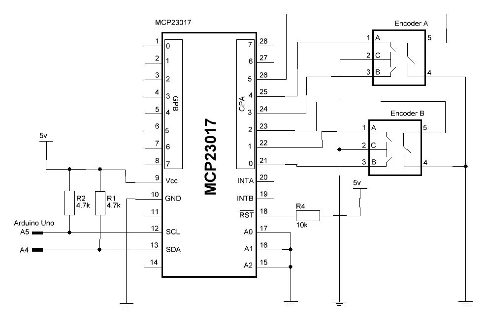
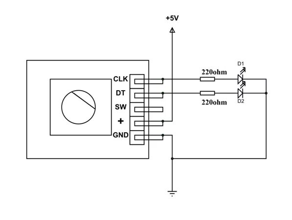
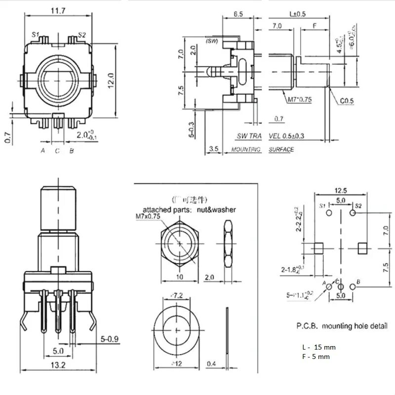
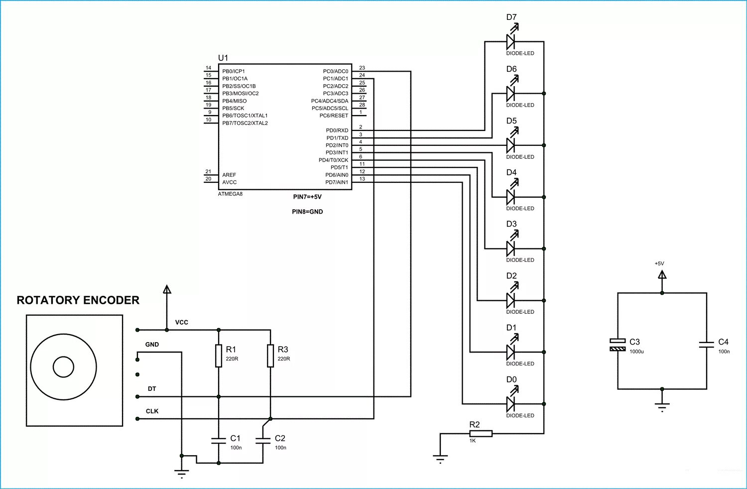
Энкодер схема подключения