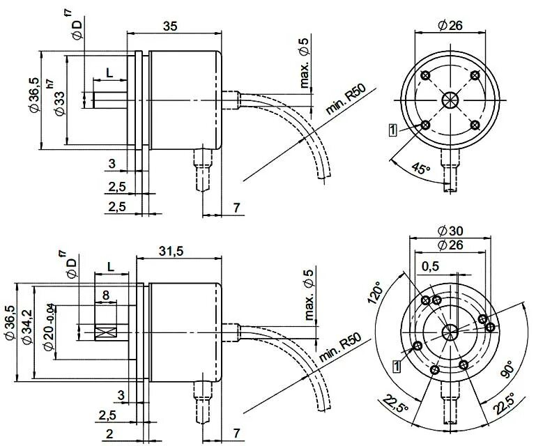
Энкодер устройство