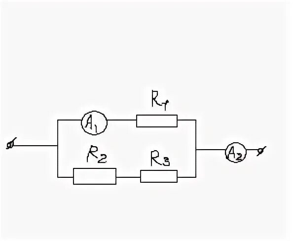
Если сопротивление резисторов r1 r2 r3