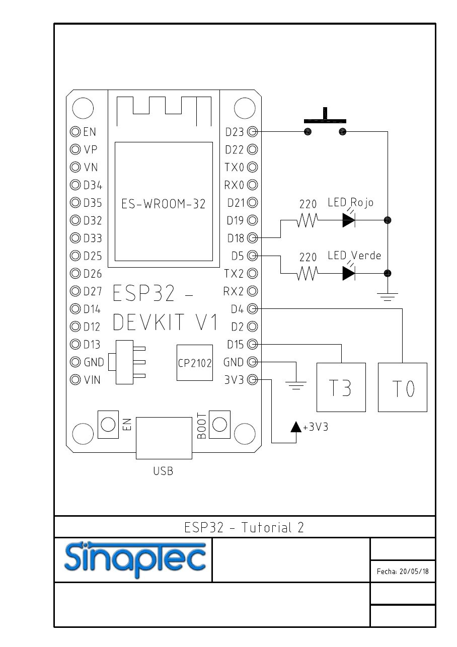
Esp32 datasheet