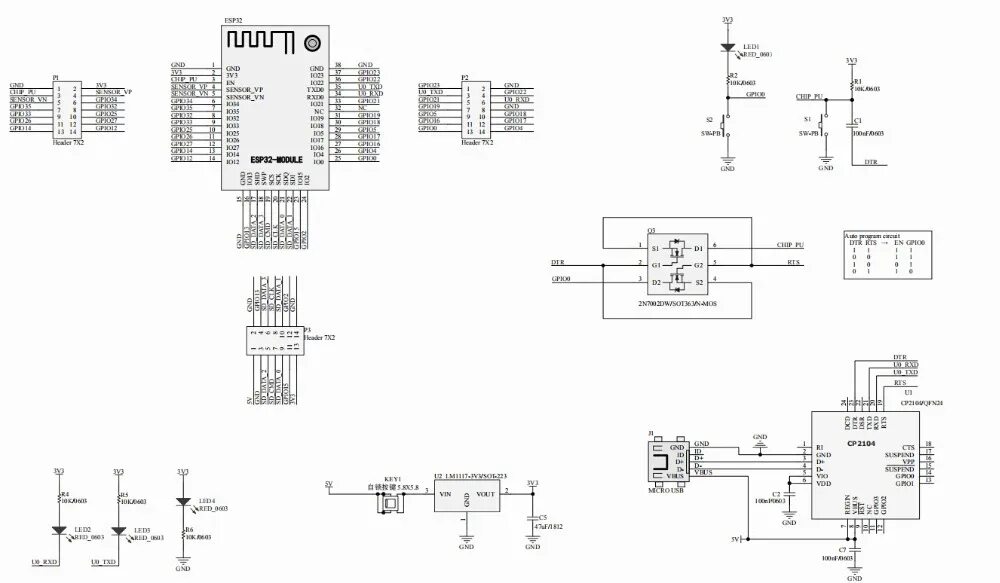
Esp32 wroom подключение