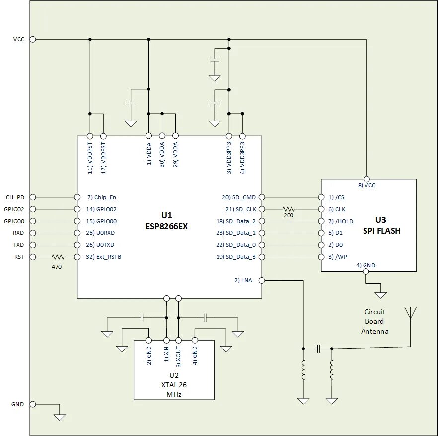
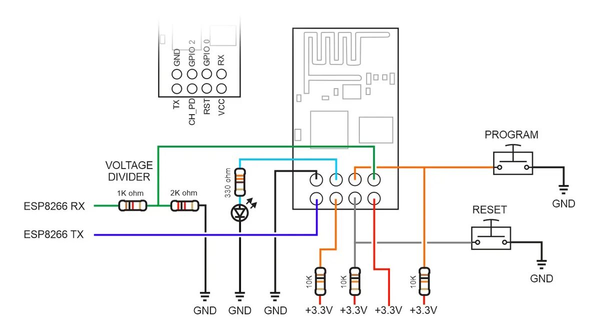
Esp8266 esp 01