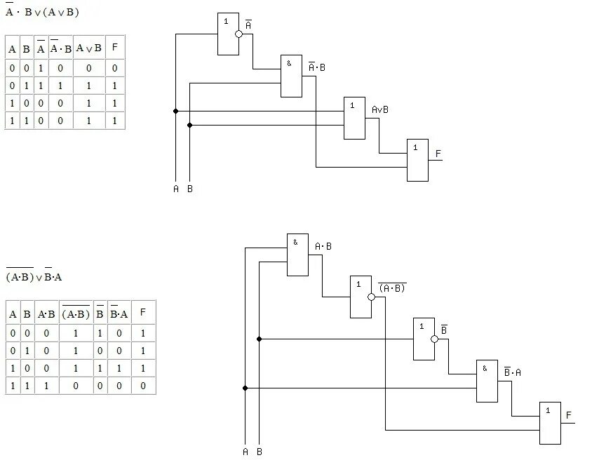
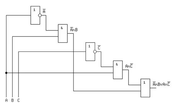
F avb c схема