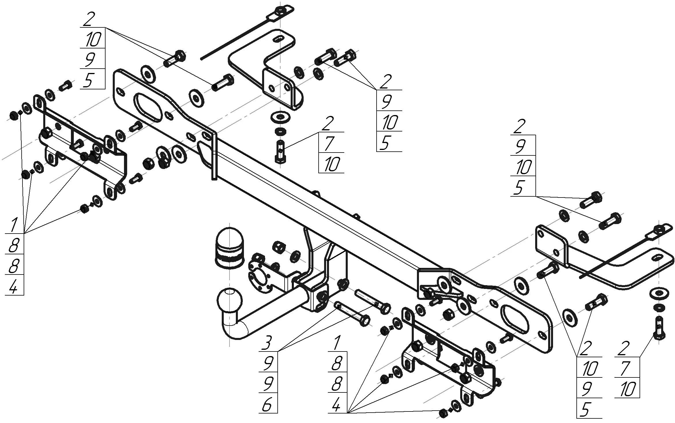
Фаркоп atlas pro