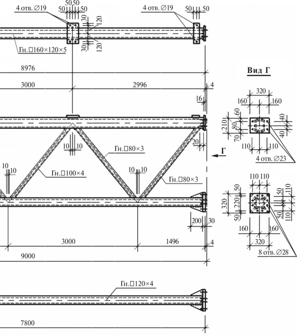
Ферма сечение