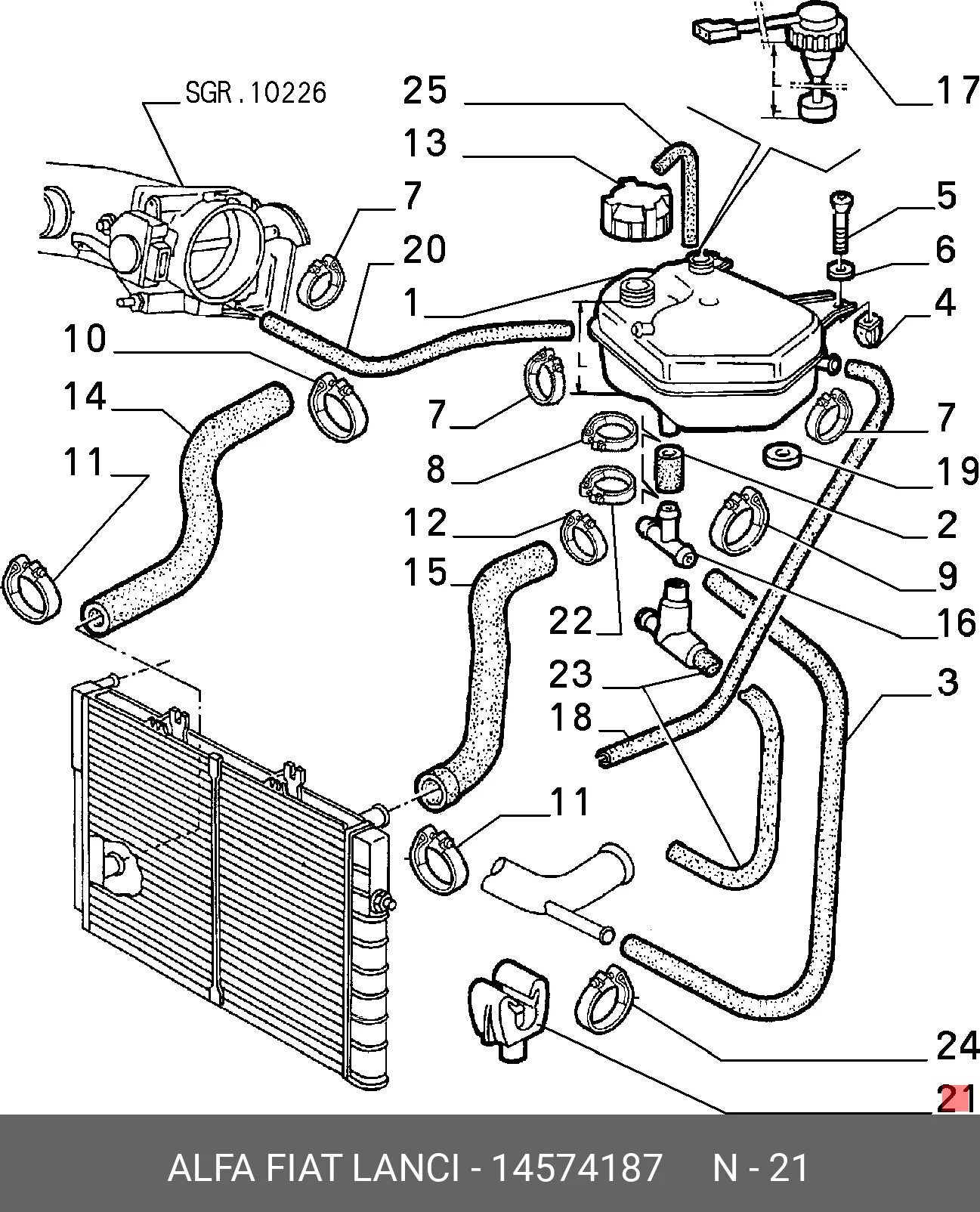
Фиат дукато 244 система охлаждения