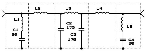
Фильтр помех телевизору