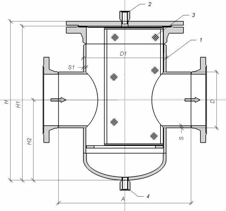
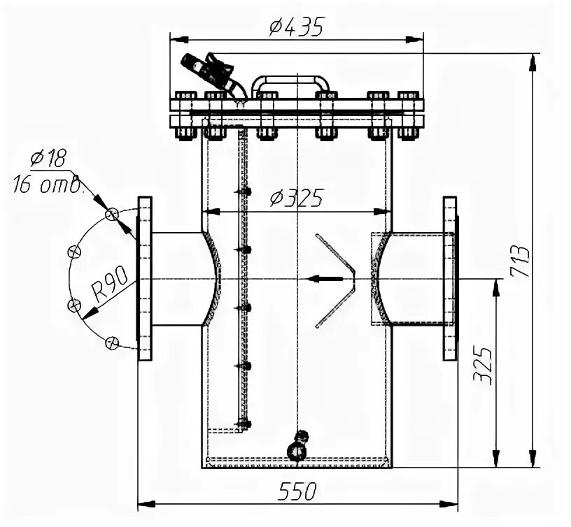
Фильтр сетчатый фс