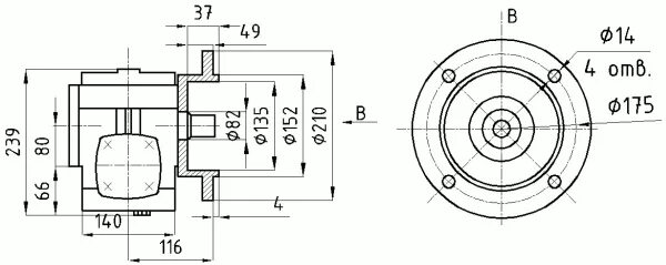
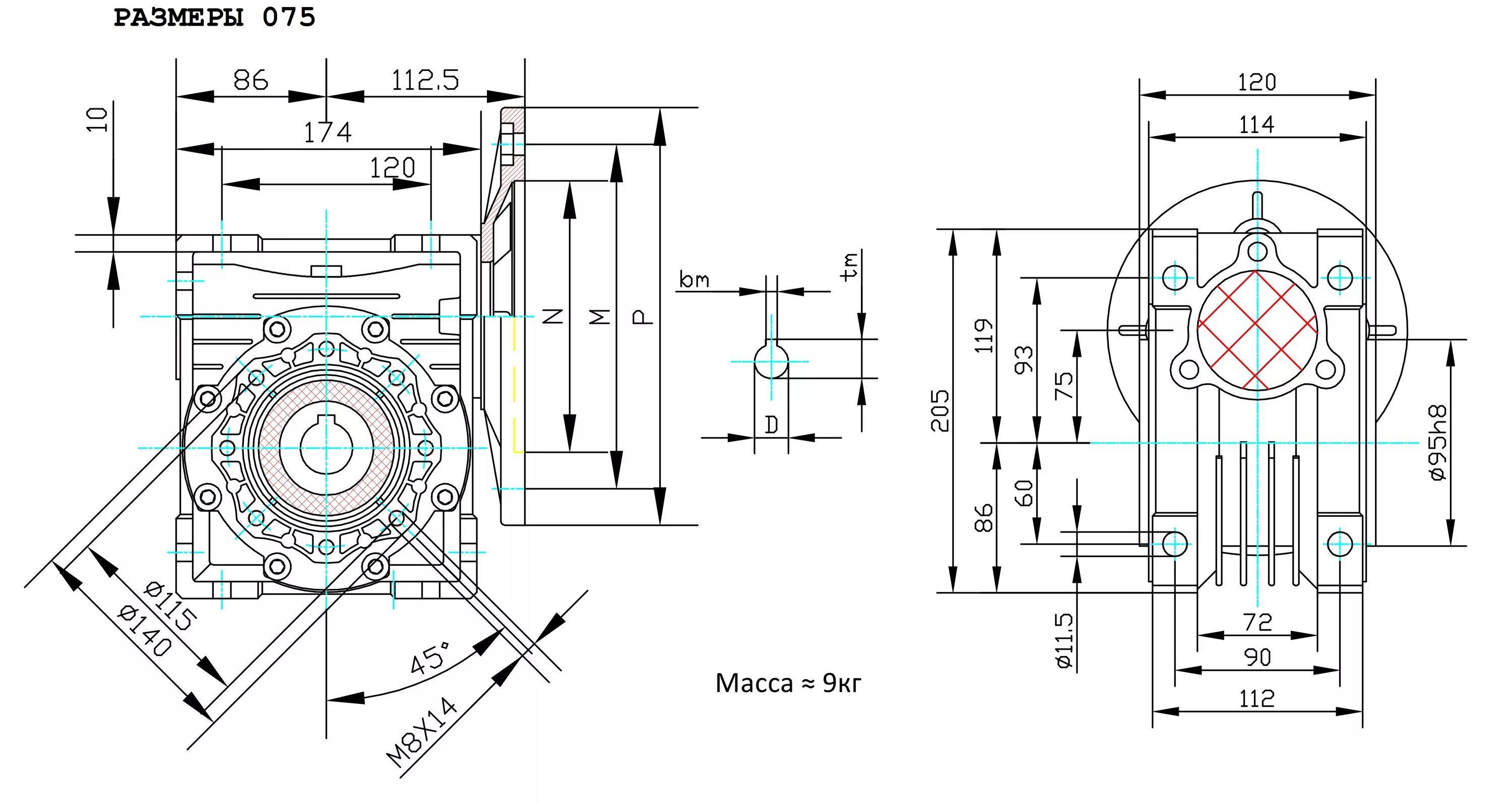
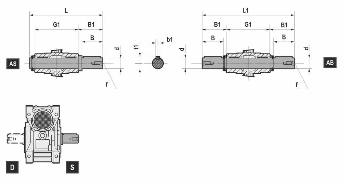
Фланец червячного редуктора