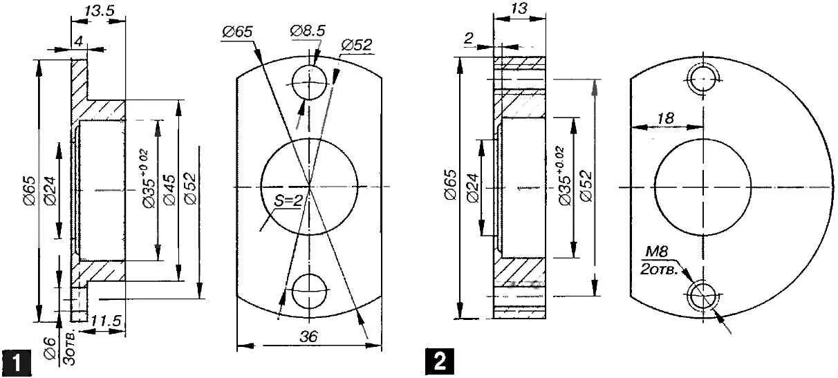
Фланец для дисковой пилы