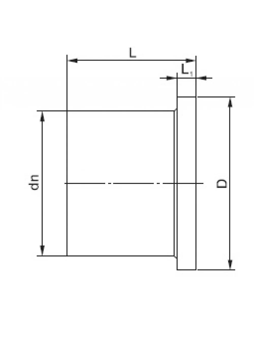
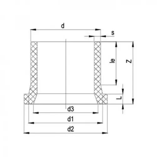
Фланец пэ размеры