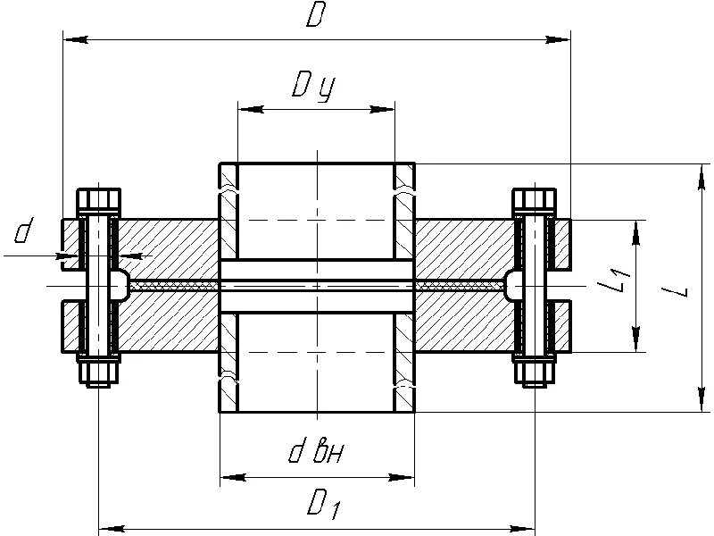
Фланец соединение 50