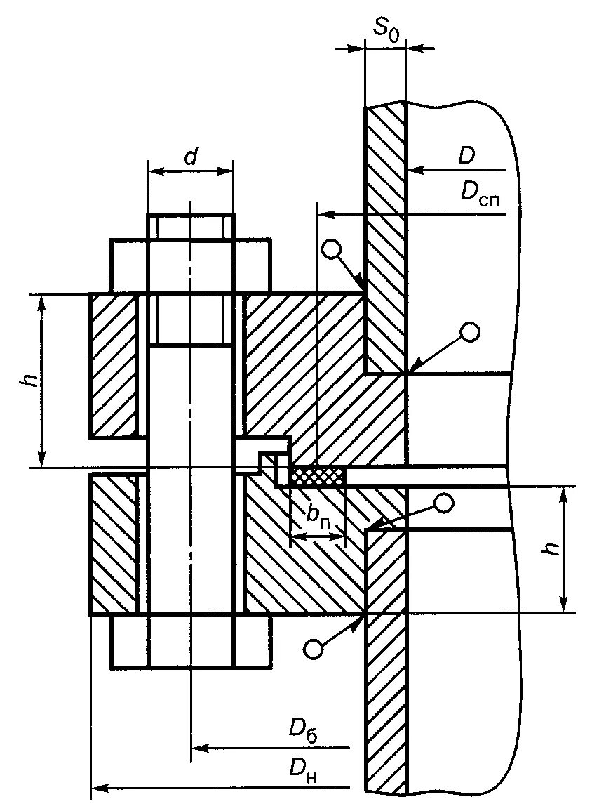
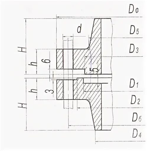
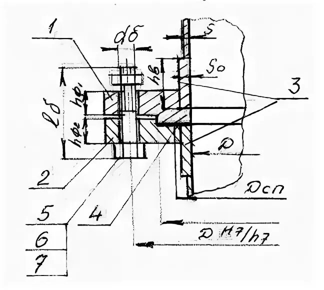
Фланец выступ выступ 1 1